Saat ini banyak beredar ponsel berbagai merk dengan charger menggunakan port USB (tegangan 5V), seperti halnya colokan USB yang ada pada computer, dimana memungkinkan ponsel tersebut di,charge
lewat port USB tersebut. Hal ini merupakan suatu kemajuan yang memberi kemudahan mengingat pengisian batere ponsel tidak dibatasi hanya menggunakan charger khusus sertaan ponsel yang bersangkutan sebagaimana sebelumnya. Dengan memiliki charger portable, sementara kita tidak akan tergantung pada listrik PLN sebagai sumber utama listrik penyuplai daya batere ponsel kita sehingga bisa kita bawa untuk rekreasi, perjalanan jauh, atau ke pelosok desa yang mana listrik PLN tidak tersedia. Terdapat beberapa jenis bateray portable yang dapat kita gunakan sebagai catu daya, seperti bateray Asam Timbal (Lead Acid), bateray Ni-MH disusun seri, Accu, bateray biasa disusun seri, dan sebagainya. Sedangkan berdasarkan kelompok tegangan catu daya meliputi rangkaian 6V dan 12V. 1. Charger USB dengan Catu Daya 6V
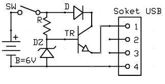
Pertama kali perencanaan, sebenarnya saya tertarik menggunakan IC Regulator 7805 untuk menghasilkan tegangan stabil 5V, namun mengingat datasheet IC ini membutuhkan minimal 7V agar beroperasi optimal, sedangkan batere yang digunakan efektif 6V, maka ini urung dilakukan. Setelah mencari-cari cara, akhirnya aku teringat akan rangkaian emitor follower dengan menggunakan dioda zener. Maksud utama penggunaan tegangan 6V adalah mengurangi loss daya seminimal mungkin mengingat yang dibutuhkan cuma tegangan output 5V. Rangkaiannya sebagai berikut:

Gambar 1
Cerita kerja rangkaiannya adalah: Tegangan Dioda Zener (5,6V) yang sudah stabil diumpankan ke basis transistor D313 (ato yang lain terserah) untuk kemudian arusnya diperkuat pada kaki emitornya dengan selisih tegangan V(be) selalu 0,6V sehingga tegangan emitor ke ground menjadi (5,6 - 0,6)V = 5V, sesuai dengan V(out) yang diharapkan. Jika tegangan output 5V tadi dihubungkan ke ponsel sebagai suatu proses charging, akan terjadi transfer energi dari catu daya ke batere ponsel yang mengakibatkan tegangan catu lambat laun akan menurun. Nah, jika penurunan tegangan terus berlanjut sampai kisaran 5,6V, Zener akan cut-off yang menyebabkan transistor menjadi jenuh (Vce » 0V). Disinilah fungsi jatuh tegangan 0,6V dioda silicon (pakai aja IN4002) diperlukan agar tegangan output (Ve) tidak melonjak ke 5,6V akibat cut-offnya zener tersebut. Sehingga ponsel tetap aman. 2. Charger USB dengan Catu Daya 7-15V Opsi penggunaan kisaran tegangan ini sangat baik jika menggunakan IC regulator 7805 (tegangan output 5V).
Rangkaian ini bisa Anda instalasikan pada catu daya accu mobil/sepeda motor yang bisa dipakai setiap saat. Pada prakteknya rangkaian inilah yang paling baik digunakan untuk bermacam-macam sumber daya, namun penggunaan akan kurang praktis jika menggunakan batere/accu secara terpisah karena: (a) terjadi kerugian daya menjadi panas yang terlalu besar akibat disipasi mengingat yang diperlukan cuma tegangan 5V dan (b) ukuran batere yang relative 2 kali lebih besar daripada penggunaan yang 6V untuk AH yang sama. (c) Untuk batere Ni-MH 9V tidak direkomendasikan mengingat kecilnya kapasitas.

Gambar 2
Selain kedua cara di atas, sebenarnya saya juga mencoba membuat sebuah USB charger hanya menggunakan 4 buah batere Ni-MH. Namun ini tidak direkomendasikan untuk Anda buat jika Anda tidak melakukan pengukuran realtime. Dengan berbekal pengukuran tegangan output kondisi penuh, yaitu Vmaks = 5,75 V, maka saya mengakali kelebihan 0,75V dengan menyambung seri sebuah dioda (V(ak) = 0,7V), sehingga tegangan outputnya menjadi (5,75-0,7)=5,05V.

Setelah terjadi proses pengisian ponsel, tegangan catu tentu saja akan menurun menyebabkan charger tidak mampu lagi untuk mengisi batere ponsel. Pada kondisi inilah diperlukan kondisi dioda dihubung singkat dengan menyalakan saklar sehingga tegangan jatuh 0,7 V dapat ditiadakan. Jadi ada dua periode charging: Saklar off : charging ponsel saat catu penuh Saklar on : charging ponsel saat catu hampir habis Semoga bermanfaaat, BTW kalau ada pertanyaan/komentar tolong ditulis di http://lukmannet.blogspot.com/2012/05/membuat-sendiri-regulator-arus-searah.html karena halaman ini sudah kebanyakan komentar, trims. Referensi

Tidak ada komentar:
Posting Komentar